未来索引
开启左侧

安森美智能电网及智能家庭解决方案

  [复制链接]
邢远 发表于 2016-5-23 23:32:13 | 显示全部楼层 |阅读模式 打印 上一主题 下一主题
  各种电子产品正在趋向“智能”,增强连接性能及提升能效等方面正经历着全球性的技术发展。为了配合物联网、智能电网/电表、智能家庭的发展趋势及要求,安森美半导体提供了符合趋势要求的工业通信方案及安全保护方案,如用于远程自动抄表(AMR)、建筑物自动化、智能家庭及智能街灯等的新电力线通信(PLC)调制解调器、M-Bus从收发器、KNX收发器、接地故障断路器(GFCI)保护方案等。
  安森美半导体的理念是推动高效能电子的创新,同时提供阵容广博的高能效方案。安森美半导体能帮助客户解决他们独特的设计挑战,使设计工程师能够减少全球的能源使用,能提供运营敏锐、可靠、世界一流的供应链及品质项目和全球环境可持续性及社会责任项目。
  全球技术展望
  现在是物联网的是时代,从2011年开始,预计移动宽带订阅量增加超过4倍(65亿),到2015年将推动移动数据流量增加12倍,预计到2020年连接型设备数量将达500亿。连接型智能手机、平板电脑、个人计算机(PC)及其它“智能”设备激增,预计到2015年网络带宽将增加8倍,存储容量将增长16倍。
  随着全球能源需求增加,加速消耗现有资源,使各国政府制定更严格的高能效标准。这意味着,传统照明将过渡到LED照明、古老电网将变成智能电网生态系统,还会出现更多的汽车电动化及高能效电源应用等。
  人/机接口继续从键盘/鼠标向触摸/手势/语音演进,设备快速转向触摸控制,配以手势识别、“自然”语音导航等,车载用户界面也会成为主流。
  传感器及机器对机器(M2M)通信将会激增,预计将推动数以十亿计传感器设备的需求,这些设备要求建筑物内外有微型化的高能效电源、智能及连接。
  我们不难发现,一切都在转向“智能”、连接及高能效。
  物联网是由智能设备组成的智能网络。物联网的设备特征包括采用电池工作、微型化、连接型和智能/控制。物联网的设备要求包括低能耗、高能效、高功率密度、连接和控制(MCU)。
  智能家庭是由家庭中的电器设备通过不同方式连接起来实现的,同时可以通过智能设备进行任务的操作。智能家庭的各种应用如图1所示。
2014113103517534.jpg
  图1 智能家庭的应用
  智能家庭市场的发展有几个特性:第一,智能家庭市场的增长视乎智能电表的部署而定;第二,消费者重视通过智能手机及平板电脑进行任务操作的便利性,趋势是消费者将使用这些设备来控制智能电器;第三,应用智能技术的电器制造商能够提供家庭能源管理服务,用于远程监控及操作;第四,消费者需要依靠智能电表及公共事业机构浮动收费来认识到智能电器的显着节电价值。
  智能电网本身就是一个生态系统,它包含了发电、传输能源这些环节,安森美半导体主要专注于它的通信和安全产品。
  PLC方案
  PLC就是让数据通过电力线传输的一种技术。
  安森美半导体在世界各地电表应用中部署了500多万个电力线通信(PLC)器件,遍及欧洲及世界各地。随着各地立法将先期试验转向大规模采用,智能电网将迎来大幅增长。与数家大型欧洲及亚洲电表和公共事业机构建立有悠久的协作及公共合作关系,帮助安森美半导体设计推出针对特定终端市场定义及调整器件的设计。
  安森美半导体PLC调制解调器系列符合公用事业机构要求,且全部遵从IEC61334-5-1/Linky要求。IEC61334-5-1是一项广泛应用的 PLC标准,提供真正符合IEC标准化及OPEN meter项目要求的优势, 并获得了IDIS互操作性团体的支持。安森美半导体PLC调制解调器系列获得业界及现场应用验证的成熟标准,提供不同供应商之间的互操作性能力。
  安森美半导体在部署IEC61334-5-1器件方面拥有10多年现场应用经验及与公用事业机构和仪表制造商的协作,让安森美半导体的PLC产品充分受益安森美半导体拥有市场上较大的S-FSK调制解调器产品阵容,且持续投资以优化技术。
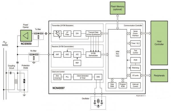
  NCN49597及NCN49599应用电路图如图2所示。使用安森美半导体PLC方案的典型AMR应用有电表、数据集中器和网络管理。
2014113103517737.jpg
  图2 NCN49597及NCN49599应用电路图
  NCN49599为窄带PLC通信提供整体方案,集成了低能耗32位ARM Cortex M0处理器及高精度模拟前端和AB类功率放大器。这器件基于双4800Baud的S-FSK通道技术,优化了能效和性能,同时提供极佳的强固性和可靠性。应用有电表/分体式电表、建筑物自动化、太阳能发电、街灯和工业控制。
  NCN49599的主要特性:
  ● 双S-FSK通道,各通道提供4800Baud速率
  ● 内嵌1.2A/12V功率放大器
  ● ARM Cortex M0处理器
  ● 可编程嵌入式软件(32kB)
  ● 支持多种标准,提供现成的IEC61334-5-1及定制PL110(PHY+MAC+LLC)堆栈
  ● 提供多载波选择,用于提供更高速度及强固性
  ● Cenelec A~D频段可编程载波频率
  ●10个GPIO
  ● 采用交流及直流线路工作
  ● 结点温度范围:-40℃~+125℃
  ● QFN56 8mm×8mm封装
  NCN49597/599支持多种标准及应用,因为具有可重编程能力,适合建筑物自动化、智能电表等应用。安森美半导体PLC市场及应用示例如图3所示,其中包括智能电表、建筑物自动化、智能电网/可再生能源,还有包括电能监视器、AMR/AMI、太阳能逆变器、照明、智能插座、智能家庭等。
2014113103517147.jpg
  图3 安森美半导体PLC市场及应用
  M-BUS方案
  NCN5150是一款单芯片集成从收发器,用于双线式仪表总线(M-BUS)从机及中继器。这收发器提供符合描述M-BUS物理层要求的EN 13757-2和EN 1434-3标准所要求的全部功能。它包含达2个单位负载(SOIC封装版本)或6个单位负载(QFN封装版本)的可编程功率等级,以集成的3.3V低压降(LDO)稳压器用于外部电路。它适合多能源、供暖/冷气表、水表和燃气表的应用。
  仪表总线(Meter-Bus)的另一种更常见名称是M-Bus,它是一种用于远程读取燃气、供暖或电表等不同类型仪表的标准。M-Bus标准存在无线和有线(双绞线)等不同版本。M-Bus主机(Master)(有线版本)能为从通信模块完全供电,使其成为极佳的“附件”(add on)。M-Bus主机接口用于双线上的通信,能够为各个从机的通信模块供电,同时提供电隔离,使其成为互连仪表的极佳总线。
  M-BUS主机到从机的通信基于电压电平信令。为了区分另一个从机信令在线缆阻抗等上造成的主机信令及电压降,传号电平VBUS, MARK被存储,仅在总线电压降至低于VBUS-VT时,NCN5150才会检测通信。M-BUS从机到主机的通信使用总线电流调制,而电压保持恒定。此电流调制可以从RX或RXI引脚来控制。当传送“空号”(space)(“0”)时,电流调制器将从总线消耗额外的电流。
  NCN5150的主要特性:
  ●单芯片M-BUS收发器
  ●UART通信速度达38400Baud
  ●集成3.3V VDD低压降(LDO)稳压器(支持15mA的扩展峰值电流)
  ●支持从总线或外部电源为从机供电
  ●达2个或6个单位负载的可调节恒定流入电流
  ●低总线电压工作
  ●极性独立
  ●掉电保护功能
  ●快速启动-STC引脚上不要求额外晶体管
  ●支持-40℃~+85℃的工业环境温度范围
  ●提供两个版本的封装:16引脚SOIC/20引脚QFN
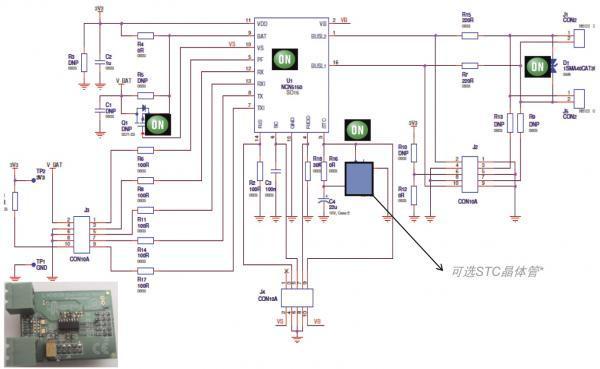
  NCN5150评估套件(QFN/SOIC)电路图如图4所示。
2014113103518296.jpg
  图4 NCN5150评估套件(QFN/SOIC)电路图
  KNX方案
  KNX技术是针对各种家居及楼宇控制应用的全球性标准,涵盖从照明及百叶窗控制到各种保安系统、供暖、通风、空调、监视、报警、水控制、能源管理、仪表及家用电器、音响等。带有KNX标志的所有产品均通过认证,以确保系统兼容性、互工作性及互操作性。此标准基于20多年的市场经验,包含其前身EIB、EIB、EHS及BatiBUS.世界各地不同应用领域的250多家会员公司提供近7000款通过KNX认证的产品系列。KNX协会已与100个国家的30000多家安装公司及60多所科技大学和150多个培训中心达成合作协定。
  NCN5120是安森美半导体KNX收发器系列的产品,处理总线上的数据发射和接收。NCN5120适合大功率应用,其设计旨在缩减物料单(BOM),同时配合安全可靠地耦合至总线,因为这器件具备可选择电流斜坡、总线电压及温度监控等特性。NCN5120包含集成PHY及MAC。
  NCN5120主要特性:
  ● KNX总线
  - KNX EIB收发器包含嵌入式物理层(PHY)及媒体存取控制器(MAC)层
  - 9600Baud通信速度(TP1)
  -可选择KNX总线电流斜坡
  - KNX总线电压监控
  ●电源
  -两个高能效DC-DC转换器产生电路板电源
  DC-DC1:固定3.3V
  DC-DC2:在3.3V~21V之间可调节
  - 20V线性稳压器
  -可配置扇入模式(达2个虚拟节点)及电流斜坡
  -控制及监控DC-DC转换器
  ●优势
  -发送数据帧缓冲
  -可选自动确认
  -支持模拟模式
  -支持休眠模式
  -可选择UART或SPI接口,可选择至主控制器的波特率
  -完整的时钟系统
  采用业界标准低成本16MHz石英工作
  能为外部MCU产生8MHz/16MHz时钟
  -工作温度范围-25℃~+85℃
  - QFN40 6×6封装
  安全方案
  GFCI(接地故障断路器)是安全方案之一。法规要求用于防止触电事故风险,GFCI的工作原理是感测火线和中线导线电流之差,并在超过阈值的条件下触发断路器/开关,它还被要求用于检测接地-中性故障(三线),UL 943涵盖美国标准,新的自测试要求将在2015年6月实施,可以使用电流互感器来检测这类故障。
  残余电流保护装置(Residual Current Device,RCD)是安全方案之二。法规要求用于降低触电事故及着火风险,RCD的工作原理是感测火线和中性导线之电流差,并在超过阈值的条件下触发断路器/开关,IEC 61008及IEC 61009涵盖欧洲标准。目前大多数RCD通过机电方式应用(无电子元件)。
  安森美半导体相应地有GFCI NCS370xx方案可供参考,还有含自测试功能的NCS37010差分断路器/插头。
2014113103518746.jpg
  图5 NCN5120构建模块
  问答选编
  问:在智能家庭方面,安森美半导体PLC有什么优势?
  答:安森美半导体PLC方案采用窄带PLC通讯,实施成本低,偏重于功能控制。
  问:KNX总线有哪些优势?
  答:国际标准,相对成熟;KNX通过产品认证确保产品的互操作性和交互性通信的实时性;适用范围广,适合各种楼宇;支持多种通信介质。
  问:PLC通讯方式可靠性和稳定性如何?
  答:要看现场的环境,一个是要看其他用电设备的干扰,还有一个是要看ACline上的阻抗。
  问:在物联网应用方面,通讯控制如何做到有效和低成本控制?
  答:在通讯互联应用领域,除了考察单位节点的成本,更重要的是考虑整体方案的实施成本及可靠性,在这一点上采用国际标准又有多年现场运行经验的方案是不错的选择。
  问:NCN49597/599功耗为多少?
  答:这要看具体的工作状态,NCN49597和NCN49599是不同的,NCN49597由于内部没有集成运放,在发送和接收的时候,功耗小于100mW,待机时就更小了,NCN49599由于内部集成运放,在发送接收时功耗会大一些。
  问:跨变压器的PLC通讯能力如何?
  答:安森美半导体的客户中有的需要跨变压器通讯的能力,有的还要尽量避免以防止电表跨台区被注册。这个能力主要看设计中允许的发射功率和接收灵敏度,安森美半导体在硬件/固件设计上都支持调整。
  问:PLC电力线通信在国内的家庭环境下,抗干扰能力是怎样的?在实际使用中,效果如何?有没有这方面的测试报告?
  答:PLC方案采用IEC61334-5-1标准,在EMC抗干扰测试都有相应的测试报告。
  问:NCN5120适合什么范围内的功率应用?
  答:NCN5120可以支持256个节点,而KNX标准要求的只有64个,安森美的这个产品方案完全符合KNX需求。
  问:如果感性负载较多时,PLC通讯能力如何?
  答:大功率负载通常会使电力线阻抗降低会削弱耦合到电力线上的PLC信号。为此,可以考虑增大发射功率,但要避免超过EMC限定。在通讯机制上要考虑应答和多次发送以提高可靠性。
  问:座谈里所说的安全保护指的是哪方面的保护?
  答:在这里主要指的是人身方面的保护,防止人的触电方面的保护。
  问:安森美半导体PLC方案偏重于功能控制,功能控制比较广泛,能不能具体解释一下是什么方面的功能控制?
  答:举个例子,例如电表的抄表、Inhomedisplay,还有智能家居的控制。

该会员没有填写今日想说内容.

精彩评论5

cyber 发表于 2016-5-24 16:17:08 | 显示全部楼层
智能技术共享平台 - 未来论 http://www.mywll.com/
回复

使用道具 举报

mabolong 发表于 2018-3-24 15:16:54 | 显示全部楼层
学习学习
智能技术共享平台 - 未来论 http://www.mywll.com/
回复

使用道具 举报

mabolong 发表于 2018-3-24 15:17:18 | 显示全部楼层
学习学习
智能技术共享平台 - 未来论 http://www.mywll.com/
回复

使用道具 举报

泶玺衆 发表于 2019-5-17 10:31:36 | 显示全部楼层
学习学习
智能技术共享平台 - 未来论 http://www.mywll.com/
回复

使用道具 举报

logicshi 发表于 2019-11-19 08:27:11 | 显示全部楼层
学习
智能技术共享平台 - 未来论 http://www.mywll.com/
回复

使用道具 举报

高级模式
您需要登录后才可以回帖 登录 | 立即注册

本版积分规则

关注2973

粉丝3242

帖子9944

发布主题
阅读排行 更多
广告位
!jz_fbzt! !jz_sgzt! !jz_xgzt! 快速回复 !jz_sctz! !jz_fhlb! 搜索

智能技术共享平台 - 未来论

关注服务号

进入小程序

全国服务中心:

运维中心:天津

未来之家:天津 青岛 济南 郑州 石家庄

                商务邮箱:xy@mywll.com

Copyright © 2012-2021 未来派 未来论 (津ICP备16000236号-5)